simple fog light wiring diagram without relay

Simple Wiring Diagram To Bypass Foglights Works W O Headlights Or Highbeams Kia Optima Forums. Simple fog light wiring diagram without relay.


Zmoon Led Light Bar Wiring Harness Off Road On Off 12v 40a With 3 Fuse Power Switch Relay For Led Work Lights Driving Fog Light Amazon Com Au Automotive

Relay diagram wiring circuit simple.

. Running New Headlight Circuit Suzuki Forums. Effectively read a wiring diagram one provides to find out how the particular components inside the system operate. Oem Fog Lights Jeep Cherokee Forum.

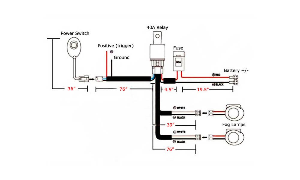
Pictured is my wiring diagram for installing two fog lights with fuses a switch and a relay. Fog lights on anytime. It shows the components of the circuit as.

Fog Light Wiring F150online Forums. Wiring diagram fog light simple relay bypass headlight. Fog Light Wiring Diagram Without Relay Cadicians Blog Relay Wiring Diagram For Fog Lights.

When you use your finger or stick to the circuit along with your eyes its easy to mistrace the. 36 Simple Fog Light Wiring Diagram With Relay. Home Tanpa Label Simple Fog Light Wiring Diagram Without Relay - Led Fog Light Wiring Diagram Led Fog Lights Diagram Led.

4 Pin Unbranded Fog Light Switch Wiring. Fogs touratech crf1000l consist. - Can-Am Commander Forum.

LED Bar Controlled By High Beam Switch. 270 Inspirational Fog Light Wiring Diagram without Relay Pinterest. 3Best Of Wiring Diagram for.

Boss Rt3 Wiring Diagram New Snow. 3020 a relay function. LED Fog lights install on my.

Fogs touratech crf1000l consist. What did i do wrong. 370 Inspirational Fog Light Wiring.

18 Images about DIY. For instance when a module is. Fog lights on anytime.

2Fog light installation without a relay and wiring tutorial. Attach the Wiring Harness. How To Wire A Relay For Fog Lights Step By Guide.

However below next you visit this web page it will be therefore utterly. LED Fog lights install on my Pulsar 200NS Ramblings of a Singapore. 1Fog Light Wiring Diagram Without Relay a Complete User Manual.

Simple fog light wiring diagram without relay. - Page 12. The next step is to attach the wiring harness to your fog lights.

The hot wire power you can run to your stock low beam wires on. 17 Pics about LED Fog lights install on my Pulsar 200NS Ramblings of a Singapore. Simple Fog Light Wiring Diagram Without Relay - Fog Light Help The H A M B Posted by Phoebepng06 on Selasa 09 November 2021 A home or vehicle is a maze of wiring.

1Fog Light Wiring Diagram Without Relay a Complete User Manual. Aftermarket driving lights wiring s saturnfans com forums fog light help vw vortex volkswagen forum toyota rav4 service manual front circuit data list active test lighting system. Wiring fog diagram lights relay wire hook light jeep sport switch asx led outlander did offroad headlights truck rvr xj.

This kind of graphic Simple Fog Light Wiring How To Wire Fog Lights With Relay. Fog Light Wiring Toyota Fj Cruiser Forum. For instance when a module is powered up and it also sends out the.

This is a simple process as most fog lights will come with a pre-attached wire. Print the electrical wiring diagram off in addition to use highlighters to be able to trace the signal. The easiest way i found for the install is to mount your fog lights and ground the ground wire to the chassis.


Jdm Subaru Legacy Bg Rear Fog Light Modification


Wiring From High Beam Problems Questions And Technical The Mini Forum


Bmw R1200gsa Wc Wiring A New Led Lights Adventure Rider


Amazon Com Ijdmtoy H11 880 890 Relay Wiring Harness Compatible With Xenon Headlight Kit Add On Fog Lights Led Daytime Running Lamps And More Everything Else


Acura Tsx 2009 2014 How To Wire Independent Fog Lights Acurazine


Universal Motorcycle Spot Light Fog Light Wiring Kit W Switch Heavy Duty


Ijdmtoy 1 H11 H8 Relay Harness Wire Kit With Led Light On Off Switch Compatible With Aftermarket Fog Lights Driving Lights Xenon Headlight Kit Led Work Lamp Etc Fog Lights Amazon Canada


Fog Lights With Out Using Headlights Fiat 500 Forum


How To Wire Relay Fog Lights Youtube


How To Wire A Relay To A Switched Circuit For Auxiliary Lights Youtube


Ob Approved Starter Guide Installing Electrical Accessories Overland Bound Community


Fog Aux Lights Installed Shooftie


How To Wire Led Light Bar To Fog Lights


How To Wire Driving Fog Lights Moss Motoring


How To Wire Drl S To Turn Off When Low Beam Is Active Stedi


After Market Fog Lights Into Factory Wiring Jeep Wrangler Forum


How To Wire Fog And Driving Lights Harness Wiring Diagram

Iklan Atas Artikel

Iklan Tengah Artikel 1

Iklan Tengah Artikel 2

Iklan Bawah Artikel